順序閥
?- YOUR SELECTIONS :
- All
| 作動 | 液壓符號 | 類別 | 主訂購代號 | 流量 (l/min) |
壓力 (bar) |
成型孔 |
-
2 ports 
透大氣
直動型附止回閥
SC-13A-20 60 350 13A-2 SC-5A-20 120 350 5A-2 -
2 ports 
透大氣
直動型
無止回閥
SD-13A-20 60 350 13A-2 -
3 ports 
導壓操作
平衡活塞型
SP-11A-30 60 350 11A-3 SP-2A-30 120 350 2A-3 SP-17A-30 240 350 17A-3 SP-19A-30 480 350 19A-3 -
3 ports 
導壓操作
卻壓型
SQ-11A-30 60 350 11A-3 SQ-2A-30 120 350 2A-3 SQ-17A-30 240 350 17A-3 SQ-19A-30 480 350 19A-3 -
3 ports 
直動型附止回閥
SC-11A-30 60 350 11A-3 SC-2A-30 120 350 2A-3 SC-17A-30 240 350 17A-3 SC-19A-30 480 350 19A-3 -
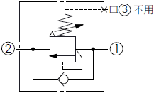
3 ports 
透大氣
直動型附止回閥
口3不用
SC-11A-20 60 350 11A-3 SC-2A-20 120 350 2A-3 SC-17A-20 240 350 17A-3 SC-19A-20 480 350 19A-3 -
3 ports 
直動型無止回閥
SD-11A-30 60 420 11A-3 SD-2A-30 120 420 2A-3 SD-19A-30 480 420 19A-3 -
3 ports 
直動型, 內導壓
SQ-08W-30 22 240 08W-3 -
3 ports 
直動型, 外導壓
SQ-08W-33 15 240 08W-3 -
3 ports 
平衡提動軸型
SP-11A-3G 60 350 11A-3 SP-2A-3G 120 350 2A-3 SP-17A-3G 240 350 17A-3 SP-19A-3G 480 350 19A-3 -
3 ports 
導壓操作平衡活塞透氣型
帶8A2插孔
RV-11A-30-Y-8 60 350 11A-3 RV-2A-30-Y-8 120 350 2A-3 RV-17A-30-Y-8 240 350 17A-3 RV-19A-30-Y-8 480 350 19A-3
